ЭКОВОДСТРОЙТЕХ®
+7 (3532) 43-20-19,  43-20-21
 96-95-97
АНЦС 4/40

Основные характеристики АНЦС 4/40

Подача, м³/ч 4
Напор, м 40
Потребляемая мощность, кВт 2,2
Частота вращения, об/мин 2900

Гидравлическая характеристика АНЦС 4/40

Допускаемый кавитационный запас, м 3

Дополнительные характеристики АНЦС 4/40

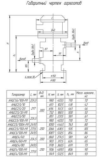
Масса агрегата, кг 62
Стандартный двигатель АИР80В2У3
Точность напора ±5%

Габаритная характеристика АНЦС 4/40


КЛАССИФИКАЦИЯ

по погруженности под уровень: поверхностные
по принципу действия: динамические
по форме рабочих органов: лопастные
по количеству рабочих колес: многоступенчатые
по конструкции корпуса: моноблочные
по расположению оси вращения: вертикальные

Вертикальные центробежные многоступенчатые насосы типа АНЦС

Назначение

Агрегаты электронасосные типа АНЦС предназначены для перекачивания воды и нейтральных жидкостей плотностью не более 1200 кг/м3 и кинематической вязкостью до 30х10–6 м2/с, имеющих твердые включения размером до 1 мм, объёмная концентрация которых не превышает 2% и с температурой от 278 К до 378 К (от 5 до 105 °С) и применяются для подачи технической воды в системы питания и водоподготовки котлоагрегатов малой мощности.

Конструкция

Агрегат состоит из вертикального центробежного многоступенчатого насоса с рабочими колесами открытого типа, соединённого упругой втулочно-пальцевой муфтой с фланцевым электродвигателем. Уплотнение вала насоса — торцевое.

Условные обозначения

Агрегат АНЦС 2,5/150М1УХЛ4 ТУ У 3.19-05785454-008-94,

где:
  • АНЦС — агрегат электронасосный центробежный секционный;
  • 2,5 — номинальная подача, м³/ч;
  • 150 — номинальный напор, м;
  • М1 — порядковый номер модернизации;
  • УХЛ — климатическое исполнение (УХЛ, О);
  • 4 — категория размещения;
  • ТУ У 3.19-05785454-008-94—номер технических условий.

← Назад в раздел