ЭКОВОДСТРОЙТЕХ®
+7 (3532) 43-20-19,  43-20-21
 96-95-97
АНЦП 50/50-3,5

Основные характеристики АНЦП 50/50-3,5

Подача, м³/ч 50
Напор, м 50
Потребляемая мощность, кВт 15
Частота вращения, об/мин 1500
Грубина погружения, м 3,5

Гидравлическая характеристика АНЦП 50/50-3,5


Дополнительные характеристики АНЦП 50/50-3,5

Масса агрегата, кг 700
Стандартный двигатель 4АМ160S4

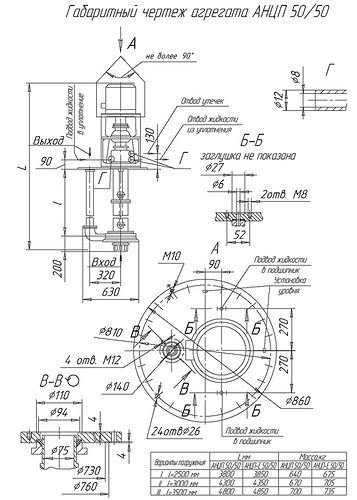
Габаритная характеристика АНЦП 50/50-3,5


Центробежные полупогружные насосы АНЦП 50/50

Назначение

Агрегат электронасосный центробежный полупогружной АНЦП 50/50 предназначен для перекачивания смеси воды и нефтепродуктов из подземных дренажныхемкостей с твердыми включениями, максимальная объемная концентрация которыхне превышает 1,5%, температурой от 258 К до 353 К (от минус 15 до плюс 80 °С), плотностью 1000 кг/м3, кинематической вязкостью до 30х10–6м2/с. Агрегаты изготавливаются в общепромышленном исполнении с уплотнением сальниковой набивкой, а в исполнении для взрывоопасныхи пожароопасных производств с торцовым уплотнением.

Конструкция

Агрегат АНЦП 50/50 состоит из электродвигателя, установленного на опорном корпусе, трансмиссионной и насосной частей. Трансмиссионная часть включает в себя верхнюю и нижнюю подвески, промежуточный подшипник и валопровод, состоящий из верхнего и нижнего валов. Перекачиваемая жидкость подается от насосной части к нагнетательному патрубку по отдельному напорному трубопроводу. Соединение верхнего и нижнего валов между собой — резьбовое. Насосная часть — центробежный вертикальный одноступенчатый насос с осевым подводом жидкости.

Условные обозначения

Пример обозначения артезианского насоса:
АНЦПЕ50/50–2,5У2 ТУ У 3.19-05785454-059-96,

где:
  • АНЦП — агрегат насосный центробежный полупогружной (насос центробежный полупогружной — НЦП);
  • Е — взрывозащищенное исполнение (при общепромышленном исполнении не указывается);
  • 50 — номинальная подача, м3/ч;
  • 50 — напор на выходе из насоса, м;
  • 2,5 — глубина погружения, м (2,5; 3,0; 3,5);
  • У — климатическое исполнение;
  • 2 — категория размещения;
  • ТУ У 3.19-05785454-059-96 — номер технических условий.

← Назад в раздел