ЭКОВОДСТРОЙТЕХ®
+7 (3532) 43-20-19,  43-20-21
 96-95-97
ПДГ 25/45 Б-Г

Основные характеристики ПДГ 25/45 Б-Г

Подача, м³/ч 25
Номинальное давление на выходе, МПа 4,5
Максимальное давление на выходе, МПа 5
Число двойных ходов поршня, мин-1 60
Рабочее давление пара, МПа 1
Допустимая вакууметрическая высота всасывания, м 5

Гидравлическая характеристика ПДГ 25/45 Б-Г


Дополнительные характеристики ПДГ 25/45 Б-Г

Масса агрегата, кг 1440

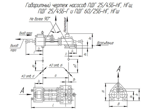
Габаритная характеристика ПДГ 25/45 Б-Г


КЛАССИФИКАЦИЯ

по принципу действия: объемные
по перекачиваемой среде: для чистой воды для химически активных жидкостей для нефти для воды с нефтепродуктами для морской воды для бензина для керосина для дизельного топлива для мультифазных (нефти+воды+газа)
по применению: для перекачки нефти, нефтепродуктов для нефтехимии
по расположению оси вращения: горизонтальные

Паровые поршневые насосы типа ПДВ, ПДГ

Назначение

Насосы паровые поршневые предназначены для работы как на насыщенном, так и на перегретом паре с температурой до 573 К (до 300 °С) в стационарных и транспортных условиях для перекачивания нефти и нефтепродуктов, сжиженных углеводородных газов, пресной и морской воды и других жидкостей, сходных с указанными по плотности, вязкости и химической активности с температурой до 673 К (до 400 °С) в зависимости от исполнения насоса. Максимальная массовая концентрация твердых частиц в перекачиваемой среде не должна быть более 0,2%, а максимальный размер твердых частиц — 0,2 мм.

Насосы обеспечивают бесступенчатое регулирование подачи и давления на выходе из насоса в пределах от 25 до 100% номинальной величины путем изменения давления пара на входе в насос. Регулирование, в указанных пределах, может осуществляться как одного из параметров (подачи или давления), так и обоих одновременно.

Взрывобезопасность, надежность в работе, плавное регулирование подачи и давления на выходе, простота конструкции и обслуживания делают насосы данного класса незаменимыми в отдельных производствах. Насосы ПДГ и ПДВ особенно хороши в тех случаях, когда имеется дешевый пар, отсутствует электроэнергия или по каким либо причинам ее применить нельзя (например — по условиям пожарной безопасности).

Конструкция

Насос состоит из двух основных частей: паровой и гидравлической. Паровая часть служит приводом, гидравлическая часть является собственно насосом. В каждой рабочей полости гидравлического цилиндра насосов с подачей до 60 м3/ч имеется по одному всасывающему и нагнетательному клапану, а в насосах с подачей более 100 м3/ч — по два всасывающих и два нагнетательных клапана.
По конструкции насосы изготавливаются двух типов:
  • ПДГ — прямодействующие двухпоршневые, двухстороннего действия, горизонтальные.
  • ПДВ — прямодействующие двухпоршневые, двухстороннего действия, вертикальные.

Применение

По назначению насосы изготавливаются в следующих исполнениях:
  • Н — для темных нефтепродуктов с кинематической вязкостью от 0,008х10–4 до 8х10–4 м2/с (от 0,008 до 8Ст) и с температурой от 273 К до 493 К (от 0 до 220 °С);
  • НШ —шламовый, для темных нефтепродуктов с кинематической вязкостью от 0,008х10–4 до 8х10–4 м2/с(от 0,008 до 8 Ст) и с температурой от 273 К до 493 К (от 0 до 220 °С) с массовой концентрацией твердых частиц до 2 % и максимальным размером до 8 мм;
  • НГ — для нефтепродуктов с кинематической вязкостью от 0,008х10–4 до 8х10–4 м2/с (от 0,008 до 8 Ст) и с температурой от 273 К до 673 К (от 0 до 400 °С); НГш — шламовый, для нефтепродуктов с кинематической вязкостью от 0,008х10–4 до 8х10–4 м2/с (от 0,008 до 8 Ст) и с температурой от 273 К до 673 К (от 0 до 400 °С), с массовой концентрацией твердых частиц до 2 % и максимальным размером до 8 мм;
  • Г — для сжиженных углеводородных газов плотностью от 480 до 700 кг/м3 с температурой от 243 К до313 К (от минус 30 до плюс 40 °С);
  • Х — для бензольных продуктов, каменноугольных смол и темных нефтепродуктов с кинематической вязкостью от 0,008х10–4 до 8х10–4 м2/с (от 0,008 до 8 Ст) и с температурой до 393 К (120 °С);
  • С — судовые — для перекачивания пресной и морской воды, темных нефтепродуктов и других, сходных с указанными по химической активности жидкостей с кинематической вязкостью от 0,008х10–4 до 8х10–4 м2/с (от 0,008 до 8 Ст) и с температурой от 278 К до 393 К (от 5 до 120 °С), а насосы с подачей более 100 м³/ч предназначены, кроме того, и для перекачивания бензина с температурой от 273 К до 303 К (от 0 до 30 °С);
  • О — общепромышленное— для перекачивания пресной воды, темных нефтепродуктов и других, сходных с указанными по химической активности жидкостей с кинематической вязкостью от 0,008х10–4 до 8х10–4 м2/с (от 0,008 до 8 Ст) и с температурой от 278 К до 378 К (от 5 до 105 °С).

Особенности/Преимущества

Насосы изготавливаются в следующих климатических исполнениях:
Н, Нш, НГ, НГш, Г, Х, О — УХЛ4, Т5; С — УХЛ4, а для установки на судах и в тропики ОМ5. Допускается эксплуатация в условиях категории размещения 2 и 3 при температуре не ниже минус 15 °С.

Условные обозначения

Пример обозначения парового насоса:
ПДГ 25/45 Б-Н-УХЛ4 ТУ 26-06-1584-90,

где:

  • ПДГ — тип насоса по конструкции (паровой поршневой двухцилиндровый горизонтальный — ПДГ; паровой поршневой двухцилиндровый вертикальный — ПДВ);
  • 25 — номинальная подача насоса, м³/ч;
  • 45 — давление на выходе из насоса, кгс/см²;
  • Б — индекс модернизации (первая модернизация — А; вторая модернизация — Б; третья модернизация — В);
  • Н — исполнение насоса по назначению (Н, Нш, НГ, НГш, Г, Х, О, С);
  • УХЛ — климатическое исполнение (УХЛ, Т5, ОМ5);
  • 4 — категория размещения;
  • ТУ 26-06-1584-90 — номер технических условий.

← Назад в раздел